K8凯发官网网址阀门Y型过滤器具有结构先进,阻力小,排污方便等特点。Y型过滤器适用介质可为水、油、气。一般通水网为18~30目。
K8凯发官网网址阀门Y型过滤器特点:
功 能:清除介质中的杂质,以保护阀门及设备的正常使用;
应用区域:石油、化工、冶金、水处理等;
产品特点:
1. 阻力小;
2. 结构简单,清洗方便;
3. 纳污量大,排污方便;
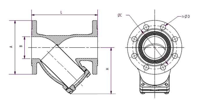
K8凯发官网网址阀门Y型过滤器结构图:


【 微信扫码咨询 】
13295105805
K8凯发官网网址阀门Y型过滤器具有结构先进,阻力小,排污方便等特点。Y型过滤器适用介质可为水、油、气。一般通水网为18~30目。K8凯发官网网址阀门Y型过滤器特点:功 能:清除介质中的杂质,以保护阀门及设备的正常使用;应用区域:石油、化工、冶金、水处理等;产品特点:1. 阻力小;2. 结构简单,清洗方便;3. 纳污量大,排污方便;K8凯发官网网址阀门Y型